Kompaktní jednotka 20 kW / OVB 70
Soubory ke stažení
Obsahuje: tepelný výměník, oběhové čerpadlo, jímky pro teplotní čidlo termostatu, automatiku s chráničem, jistícími a spínacími prvky
Tepelné výměníky jsou svojí konstrukcí speciálně navrženy pro vytápění bazénové vody, vody ve vířivých vanách a lázních nebo při podlahovém vytápění. Optimální je použití tohoto celonerezového výměníku při ohřevu vody plynovým nebo jiným kotlem, tepelným čerpadlem, popřípadě solárními kolektory. Konstrukce výměníku je navržena s ohledem na omezení průtoku tak, aby v maximální míře zajistil přívod tepla a zároveň byl minimalizován tlak v topném systému.
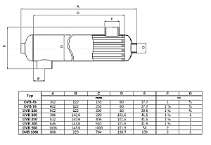
Tepelné výměníky - kompaktní jednotky. Pouze na objednání. Výměníková kompaktní jednotka - sestaveno z: Tepelného výměníku ( vývody šroubením mosaz/plast 1,5"/50 mm. Oběhového čerpadla Wilo ( na primárním okruhu 1"). Jímky pro teplotní čidlo termostatu. El. automatiky s proudovým chráničem, jistícími a spínacími prvky, které ovládají teplotu vody, spínání filtračního zařízení s termostatem. Celý komplet je namontován na desce.
Technické parametry
| Topná voda průtok [l / m] | 25 |
|---|---|
| Topná voda tlaková ztráta [kPa] | 7,5 |
| Ohřívaná voda průtok [l / m] | 170 |
| Ohřívaná voda tlak. ztráta [kPa] | 9,2 |
| Povrch předávací plochy [m2] | 0,25 |
| Ohřívaná voda připojení | 1 1/2 |
| Topná voda připojení | 3/4 |
| Hmotnost [kg] | 17 |
| Napájení [V] | 230 |











































































